


运输
我们与 FedEx、DHL 和 UPS 等值得信赖的承运商合作,确保可靠的配送。FedEx 是我们的首选,但根据目的地和运输条件,我们也可能使用 DHL 或 UPS 作为替代方案。在线结账时,我们将根据您输入的国家/地区提供运费估算。
付款
我们主要使用信用卡进行安全的在线支付。我们也接受电汇或阿里巴巴的付款。
税费
所有价格均不含税费、进口费或关税。如有这些费用,则由买家承担,并可能由当地海关在货物送达时收取。
质保
所有产品均享有我们的有限保修。我们保证每件产品自收到之日起一年内无任何功能缺陷。如果您的订单商品出现损坏或错误,请在收到包裹后3天内通知我们,以便我们及时解决问题。
退货政策
保修范围内的产品可退回维修或更换。退回任何产品前,请联系我们获取退货授权 (RMA)。
供货持久性
我们致力于提供长期持续的供货。如果原供应商的IC或玻璃停产,我们将竭尽全力寻找兼容的替代品,最大程度地减少对您生产的影响。
NO. | ITEM | SPECIFICATIONS | UNIT |
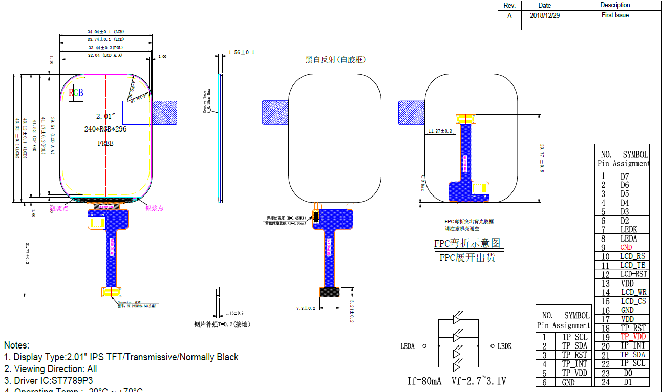
1 | Display Mode 显示模式 | TFT | - |
2 | Diagonal Size 尺寸 | 2.01 | Inch |
3 | Resolution 分辨率 | 240(RGB)×296 | Dots |
4 | Active Area 有效显示区域 | 32.04(H)×39.51(V) | mm |
5 | Outline Dimension 外围尺寸 | 34.04(H)×43.32(V) | mm |
6 | Thickness 厚度 | 1.56±0.1 | mm |
7 | Pixel Pitch 像素间距 | 0.1335(W)×0.1335(H) | mm |
8 | Pixel Size 像素尺寸 | 0.1335(W)×0.1335(H) | mm |
9 | Display Driver IC 显示驱动 IC | ST7789 | - |
10 | Touch Driver IC 触控驱动IC | No Touch | - |
11 | Display Color 显示色彩 | 262K | Color |
12 | Gray Scale 灰阶 | 8 | bit |
13 | Brightness 亮度 | 650(Typ.) | cd/m2 |
14 | Contrast Ratio 对比度 | 1200:1(Typ.) | - |
15 | Interface 接口 | 8 Bit 8080 MCU | - |
16 | IC Package Type IC 封装类型 | COG | - |
17 | Module Connecting Type 模块连接方式 | B2B Connector(OK-23GM024-04) | - |
18 | Weight 重量 | 3.4±10% | g |
19 | Viewing Direction 视角方向 | All View | O'Clock |
20 | Pins 引脚数 | 24 | Pins |
21 | Operating Temperature 操作温度 | -20~70 | ℃ |
22 | Storage Temperature 存储温度 | -30~80 | ℃ |
